Zde se můžete podívat na několik příkladů obhájených bakalářských a diplomových prací našich studentů. Práce svým obsahem odpovídají specializaci Elektrická trakce a elektromobilita se zaměřením na elektromobilitu.
Bakalářské práce
Možnosti a funkce přístrojů pro sériovou diagnostiku vozidel
Práce se zabývá problematikou sériové diagnostiky vozidel. Popisuje základní rozdělení diagnostických metod motorových vozidel, význam palubní diagnostiky a její postupný vývoj. V rámci práce bylo provedeno několik diagnostických úkonů na vybraných vozidlech.
Autor: Ondřej Mašek
Prostředky pro zvyšování výkonu spalovacích motorů
Práce je věnována rešerši, popisu prostředků a úprav pro zvyšování výkonu zážehového motoru. V práci je popsáno jakým způsobem elektronika řídí chod motoru. Bylo provedeno naladění kompletní palivové mapy spolu s předstihem za účelem zvýšení výkonu motoru.
Autor: Jiří Honěk
Diplomová práce
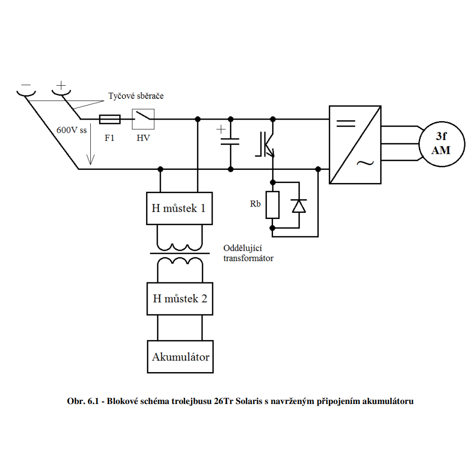
Náhrada dieselového zdroje za akumulační zdroj u trolejbusu Tr26 pro MHD Zlín
Práce se zabývá náhradou dieselelektrického zdroje akumulačním zdrojem elektrické energie u trolejbusu 26Tr Solaris pro MHD Zlín. Práce je zaměřena na analýzu energetické náročnosti konkrétních nezatrolejovaných úseků trati ve městě Zlín, výpočet energetické náročnosti jednotlivých úseků a stanovení potřebné kapacity akumulačního prvku. Součástí je také návrh konkrétních variant řešení akumulačního prvku a jeho připojení do stejnosměrného meziobvodu trolejbusu.
Autor: Petr Andrlík


